Fully programmable card (PICC), reader (PCD) and NFC signal emulator for device characterization and protocol conformance verification. ProxiLAB Quest offers the performance and features required for full characterization and conformance validation of all 13.56 MHz contactless technologies, including the Very High Bit-Rate evolutions. ProxiLAB Quest integrates with a variety of conformance certification solutions and test automation platforms.
KEOLABS’ Quest line of testing tools delivers state of the art characterization capabilities with unprecedented ease-of-use through Quest software environment.
Quest provides characterization tests as preconfigured scenarios. These scenarios control the tester ‘s programmable features to enable single-click access to contactless tests such as waveform analysis and performance profiling.
The scenario’s configuration, description, scripts, traces and results are all stored in a workbook file that can be easily shared with others using the free Quest software.
PROGRAMMABLE FEATURESProxiLAB Quests’ redesigned architecture delivers new features to support device testing and characterization including:
ProxiLAB Quest emulates both card and reader signals at analog and digital levels and allows full control of all signal parameters to enable:
|
SUPPORTED PROTOCOLS
HARDWARE INTERFACES
|
QUEST’S TOOLS FOR TESTING A PICC/CARDDigital/Analog trace
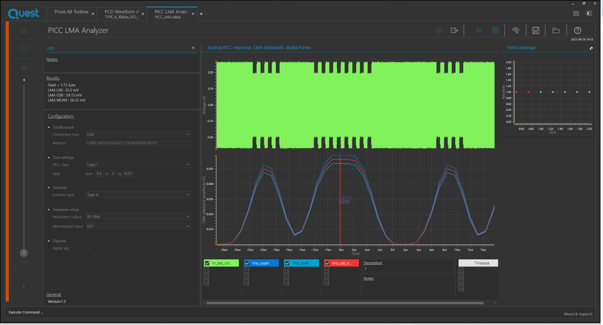
PICC LMA Analyzer
PICC EMD analysis
PICC Hinit
PICC Shmoo-plot
PICC performance
VNA
Script editor
|
QUEST’S TOOLS FOR TESTING A PCD/READERPCD Waveforms Analyzer
VNA
Script editor
|
CARDS LICENSE OPTIONS
|
READERS LICENSE OPTIONS
|
ISO CARD ACCESSORIES
ISO READER ACCESSORIES
|
NFC FORUM ACCESSORIES
EMVCo ACCESSORIES
OTHER ACCESSORIES
|
